Опубликовано: 8 февраля 2023

ГРМ на Киа Спортейдж 3: дигностика, инструкция по замене

Ремень или цепь ГРМ Kia Sportage 3

В качестве средства передачи крутящего момента от ГРМ на автомобилях Киа Спортейдж 3 используются цепные и втулочные цепи. Цепная передача имеет ряд важных преимуществ, важнейшие из которых — долговечность такого механизма и устойчивость к различным видам нагрузок. Интересен тот факт, что обычное время замены цепей производитель не указывает. Они должны быть отремонтированы или заменены, если это необходимо, при следующем периодическом сервисном обслуживании. На практике редко возникают проблемы раньше 100 000 км пробега цепи.

ГРМ на Киа Спортейдж 3: дигностика, инструкция по замене

Подобрать подходящую цепь для автомобиля можно исходя из параметров и модели установленного на ней двигателя. Искать товары по серийному номеру или другим характеристикам не имеет смысла; необходимо знать артикул и наименование модели двигателя в модельном ряду производителя. В частности, цепной привод используется на двигателях следующих типов:

  • Бензиновый стандарт на 2,0 литра – 150 л/с;
  • Бензиновый усиленный 2,4 литра;
  • Турбодизельный агрегат объемом 2,0 л и мощностью 136 л/с, а также форсированный аналог на 184 л/с.

Поэтому, если вы ищете цепь ГРМ для автомобиля, вы должны сначала узнать, какой тип бензинового или дизельного двигателя используется на автомобиле и какое у него название. Кроме того, выбрать подходящий продукт не составит труда. Для упрощения поиска рекомендуем обратиться к вашему прямому дилеру или другому представителю компании.

Когда нужно производить замену

Замену цепи ГРМ на Киа Спортейдж 3 в зависимости от типа двигателя и используемой цепи рекомендуется проводить после пробега 100-150 тысяч километров. Однако обращать внимание на состояние блока ГРМ стоит намного раньше, при регулярном осмотре и других профилактических работах для достижения 50 000 и более километров пробега.

Выполнить срочную процедуру замены можно при появлении в моторе ударов, особенно выраженных при определенной частоте вращения. Как правило, это свидетельствует о том, что либо снизилось натяжение цепи из-за поломки натяжителя, сломан зуб или износилась одна из шестерен механизма.

Актуальность ремонта объясняется тем, что сорванная с валов цепь может нанести серьезные повреждения механизму ГРМ. Цилиндры двигателя также выходят из строя на высоких оборотах из-за уменьшения силы вращения. В итоге вместо замены цепи нужно провести полный капремонт двигателя.

Трудности с подбором запчастей

Производитель постоянно вносил изменения в конструкцию двигателя, используя разные цепи ГРМ, масляные насосы, шатунные и коренные подшипники и многие другие узлы. Более того, обо всех этих изменениях Hyundai-Kia не сообщила потребителям. Поэтому часто возникают сложности с подбором запчастей. Но цены на запчасти приемлемые, что вообще характерно для корейских двигателей.

Признаки, причины и последствия выхода из строя цепи ГРМ

Цепной привод спрятан внутри двигателя, в отличие от ременного ГРМ, который находится снаружи силового агрегата. Это можно считать как преимуществом, так и недостатком. С одной стороны, изолированный механизм создает меньше шума и обильно смазывается маслом, что увеличивает срок службы устройства. С другой стороны, обслуживание и замена регулятора ГРМ становится затруднительной, так как для визуального осмотра механизма необходимо также снимать клапанную крышку.

Неисправность цепи ГРМ в основном выражается в появлении характерного гула под капотом при работающем двигателе Киа. Этот звук слышен со стороны газораспределительного механизма, спутать его с другим шумом крайне сложно.

Технология самостоятельной замены

Перед собственно процессом рекомендуется заранее подготовить все необходимые инструменты для работы, так как их требуется не так много:

  • Различные ключи и головки;
  • Устройство для подъема автомобиля (домкрат) и динамометрический ключ;
  • Обычные тряпки.

Замена ремня ГРМ на Киа Спортейдж 2 происходит следующим образом:

Корейский автомобиль полностью обесточивается путем отключения минусового полюса от аккумулятора. Свечи тоже гаснут. Это обеспечит и облегчит дальнейшие этапы планируемого процесса.

  • Следующий шаг – слить охлаждающую жидкость через специальное отверстие в системе автомобиля;
  • Подвесные ремни, охлаждающий вентилятор и кронштейн удалены;
  • Чтобы снять шкив коленчатого вала, необходимо будет открутить болты крепления;
  • С блока сняты защитные кожухи;
  • Перед продолжением работы совместите коленчатый вал с меткой, соответствующей распределительному валу;
  • Рулон ослабляется, снимается поврежденное изделие и сам натяжитель.

Видео:

На этом этапе пригодится заранее подготовленная тряпка, которая поможет очистить систему от загрязнений. Установка нового элемента производится в обратном порядке. При выполнении этой процедуры следует помнить о некоторых важных моментах:

  1. Натяжной ролик необходимо монтировать по специально нанесенной маркировке.
  2. Ремень необходимо натянуть на шестерню распредвала, двигаясь дальше по часовой стрелке.
  3. Перед окончательным натяжением необходимо проверить все символы на их полное совпадение.

Возврат на место эксплуатации снятых ранее оставшихся элементов не должен вызвать особых проблем даже у неопытного автовладельца.

Киа спортейдж 3 когда менять цепь грм на * Клуб Киа Спортейдж

Kia Cerato — Работа перед заменой цепи ГРМ

При каком пробеге нужно менять цепь

ГРМ на Киа Спортейдж 3: дигностика, инструкция по замене

Замена цепи ГРМ Киа спортейдж 3 2.0 бензин

По поводу замены масла и вжаривания до остывания. При вскрытии клапанной крышки обнаружилась тяжело висящая цепь ГРМ и «разбросанные» следы от трех зубцов.

ГРМ на Киа Спортейдж 3: дигностика, инструкция по замене

Время смены Киа Спортейдж цены на работу

ГРМ на Киа Спортейдж 3: дигностика, инструкция по замене

Растяжение цепи ГРМ на (SL) Последствия

ГРМ на Киа Спортейдж 3: дигностика, инструкция по замене

ремень ГРМ Киа Спортейдж

ГРМ на Киа Спортейдж 3: дигностика, инструкция по замене

 Замена цепи ГРМ на автомобиле Киа Цепь ГРМ. (когда Киа Спортейдж 5. Замена цепи ГРМ с двигателем Цепь ГРМ. Киа Спортейдж 3.

ГРМ на Киа Спортейдж 3: дигностика, инструкция по замене

КИА Спортейдж СЛ ФЛ. Замки «Гарант» на руле. Проверка очень обычная, жаль, что мужики не сделали ее при открытой клапанной крышке — достаточно покрутить распредвал из стороны в сторону разводным ключом за шестигранник, который обычно находится где-то между кулачками, и найдите вышеупомянутую бесплатную игру.

ГРМ на Киа Спортейдж 3: дигностика, инструкция по замене

Киа Спортейдж 3 Замена цепи ГРМ + непонятные стуки в двигателе!

ГРМ на Киа Спортейдж 3: дигностика, инструкция по замене

ремень ГРМ Киа Спортейдж

ГРМ на Киа Спортейдж 3: дигностика, инструкция по замене

Киа Спортейдж 3 — дорейстайл. Цепь ГРМ меняем сами + непонятные толчки в двигателе!

ГРМ на Киа Спортейдж 3: дигностика, инструкция по замене

 

ГРМ на Киа Спортейдж 3: дигностика, инструкция по замене

Замена цепи ГРМ (ГРМ) Киа Спортейдж 3 (SL)

ГРМ на Киа Спортейдж 3: дигностика, инструкция по замене

Все под капотом, системы питания, впуск, выпуск.

ГРМ на Киа Спортейдж 3: дигностика, инструкция по замене

ГРМ на Киа Спортейдж 3: дигностика, инструкция по замене

Замена цепи ГРМ Киа спортейдж 3 2.0 бензин

ГРМ на Киа Спортейдж 3: дигностика, инструкция по замене

Как поменять ремень ГРМ на Киа Спортейдж 2 следует регулярно контролировать и вовремя заменять.

ремень ГРМ Киа Спортейдж

ГРМ на Киа Спортейдж 3: дигностика, инструкция по замене

 ГРМ для Киа Спортейдж 2,7 л — цепь ГРМ — направляющая цепи ГРМ (колодка).

Замена цепи ГРМ Киа спортейдж 3 2.0 бензин

ГРМ на Киа Спортейдж 3: дигностика, инструкция по замене

Трансмиссия

Некоторым владельцам Kia Sprtage с МКПП периодически приходится заниматься ремонтом коробки из-за износа первичного вала и 5 передачи.

Сцепление механической коробки передач необходимо обновлять через 170-200 тыс км. 

ГРМ на Киа Спортейдж 3: дигностика, инструкция по замене

4-х ступенчатый автомат F4A2, при регулярной замене масла, прослужит без ремонта не менее 300 000 км.

В полноприводных модификациях после 200-250 тыс км внимания потребует муфта, отвечающая за подключение заднего моста. Ресурс сцепления значительно снижается при частых передвижениях по пересеченной местности и включении блокировки.

К счастью, ремонт сцепления не сложный и не дорогой. Обычно все делается заменой подшипников, сальников и обновлением масла.

Кроме того, при больших пробегах выходят из строя подвесные подшипники карданного вала и крестовины

Кроме того, необходимо устранить течи масла из заднего редуктора через сальники вала

Масложор

Производитель допускает расход масла до 600 г на 1000 км пробега. При тяжелых условиях эксплуатации — до одного литра. Но приличным расходом можно считать, когда от замены к замене не доливаешь больше литра масла. Что вызывает масляную горелку?

Блок двигателя отлит из алюминиевого сплава с чугунными гильзами. В этом случае четыре отлитых вместе цилиндра стоят в блоке, не соединенные со стенками. Эта технология называется Open Deck (открытая поверхность). Из-за такой конструкции цилиндры имеют малую жесткость в плоскости, перпендикулярной оси коленчатого вала. Со временем они раздуваются, цилиндр становится овальным. Появляется пятнистый износ стенок цилиндров, увеличивается зазор поршня.

Маслосъемные поршневые кольца тонкие, им не хватает эластичности, в связи с чем они часто изнашиваются уже при пробегах 60 000-80 000 км.

При капитальном ремонте блок переоборудуют под поршни номинального размера или ремонтно сверлят (+0,5 мм). В обоих случаях хорошие мастерские шлифуют поршни для установки усиленных поршневых колец. Комбинация масляных форсунок и усиленных колец значительно увеличивает срок службы двигателя.

Kia Sportage. Двигатель G4GC. Замена ремня ГРМ, приводных ремней, помпы.

ГРМ на Киа Спортейдж 3: дигностика, инструкция по замене

  • Замена всех приводных ремней
  • Замените ремень ГРМ и проверьте правильность синхронизации
  • Замените насос
  • Сменить охлаждающую жидкость
Читать:  KIA Rio X-line 2017 года, замена рабочей жидкости инструкция

Порядок работы.

В первую очередь откручиваем защиту на днище автомобиля. Это необходимо для полного доступа к нижним агрегатам и узлам автомобиля. Даже без этого слить охлаждающую жидкость из радиатора не получится.

Затем поддомкратьте правое переднее колесо и поднимите двигатель.

ГРМ на Киа Спортейдж 3: дигностика, инструкция по замене

Затем снимаем колесо. Откручиваем четыре болта крепления нижнего защитного кожуха. Получаем доступ к шкиву коленвала.

ГРМ на Киа Спортейдж 3: дигностика, инструкция по замене

Затем откручиваем крышку защиты двигателя и четыре болта на верхней крышке ГРМ в моторном отсеке. Мы снимем это. На шкив привода распредвала и старый ремень ГРМ поставить метку с отметкой времени. Затем наденьте его на нижнюю часть шестерни коленчатого вала.

ГРМ на Киа Спортейдж 3: дигностика, инструкция по замене

Откручиваем кронштейн подушки двигателя. Снимаем как сам кронштейн, так и саму накладку. Накладку вообще снимать не надо, но работать в дальнейшем гораздо удобнее.

Накидным ключом на десять откручиваем четыре винта крепления диска помпы. Заводим натяжной винт генератора и ослабляем ремень генератора. В моем случае это не помогло, так как ремень был не родной и скорее всего меньшего размера. Пришлось резать ножом.

ГРМ на Киа Спортейдж 3: дигностика, инструкция по замене

Далее запускаем корпус насоса ГУР. Так же ослабляем натяжение ремня кондиционера. Для этого я сначала ослабил и снял корпус натяжителя. После этого ремень легко снимается.

ГРМ на Киа Спортейдж 3: дигностика, инструкция по замене

Все ремни сняты. Теперь нужно открутить шайбу коленвала. В моем случае болт упорно сопротивлялся и никак не выкручивался. Пришлось использовать старый приводной ремень. Хитрость заключается в силе трения…

ГРМ на Киа Спортейдж 3: дигностика, инструкция по замене
Таким образом перекидывается ремень для откручивания шкива

Берем длинный хомут с достаточным плечом рычага и при перекусывании ремня гайка спокойно срывается.

Снимаем шкив коленвала. В моем случае он убрал руки. Бывает, что шкив закисает в посадочном месте. Тогда придется использовать специальные съемники. Я удачлив. Для того чтобы шкив в дальнейшем легко снимался, внутреннюю посадочную часть смазал графитовой смазкой.

Теперь у нас есть доступ к шестерне коленчатого вала. Мы также ставим метку времени как на шестерне, так и на ремне.

ГРМ на Киа Спортейдж 3: дигностика, инструкция по замене

Далее откручиваем четыре болта крепления нижнего картера ГРМ и вынимаем его.

На этом я временно остановлю ту часть, которая касается замены ремня ГРМ, потому что далее речь пойдет о замене помпы.

Замена помпы на двигателе G4GC.

Для нормальной работы замены помпы, как бы этого ни хотелось, необходимо открутить и разобрать насос ГУР. Со всеми вытекающими в прямом смысле слова последствиями в виде декстрона…

Также необходимо открутить крепления жгута питания генератора и отвести жгут в сторону.

ГРМ на Киа Спортейдж 3: дигностика, инструкция по замене

Затем снимите натяжной стержень генератора, который по совместительству также фиксирует насос в двух местах.

Также очень полезно демонтировать опорный кронштейн подушки двигателя с блока цилиндров.

ГРМ на Киа Спортейдж 3: дигностика, инструкция по замене

Когда скобу демонтировали, открылась страшная и трагическая картина… «Узника» замуровали в импровизированную «камеру»…

ГРМ на Киа Спортейдж 3: дигностика, инструкция по замене

Печально, но, несмотря на открывшуюся трагедию, работать надо. Теперь ничто не мешает вам открутить оставшиеся болты крепления помпы и заменить их.

Правда есть нюанс. Как оказалось, корейские инженеры не предусмотрели возможность слива охлаждающей жидкости из блока цилиндров. А в момент снятия старой помпы из блока потечет охлаждающая жидкость…

При осмотре субпродукта со стороны блока обнаружено место с отложениями ржи или подобного. Странный. Хозяин машины говорит, что так и не выиграл. Так что причина появления отложений так и останется загадкой.

ГРМ на Киа Спортейдж 3: дигностика, инструкция по замене

Новый насос не оригинальный.

ГРМ на Киа Спортейдж 3: дигностика, инструкция по замене
Старый справа, новый слева

Ставим насос на место. Правда, это еще не все. В связи с тем, что помпа не оригинал, пришлось доработать внутренний малый шкив ГУР. Он находится внутри диска насоса.

причина в том, что на неоригинальном насосе стоит цилиндрический ключ, которого нет в оригинальном.

ГРМ на Киа Спортейдж 3: дигностика, инструкция по замене

Поэтому пришлось высверливать внутренний шкив и стягивать его с наружным.

ГРМ на Киа Спортейдж 3: дигностика, инструкция по замене

После этого шкивы спокойно встали на свои места…

Возвращаемся к замене ремня ГРМ на двигателе G4GC.

Считаем количество зубьев на старом ремне ГРМ и сравниваем полученное число с количеством зубьев на новом ремне. Делать это ОБЯЗАТЕЛЬНО! Потому что был опыт, когда я надел его не глядя, а оказалось, что у нового ремня на один зуб больше, чем положено.

Затем подсчитываем количество зубьев между метками, которые были поставлены на старом ремне и маркируем новый ремень так же.

Ставим новый шкив ГРМ на блок. Затягиваем динамометрическим ключом с моментом 55Н.

Выставляем коленвал по меткам на шестерне в ВМТ на такте сжатия. Выставляем шестерню привода распредвала по меткам. Надеваем новый ремень, и совмещаем маркировку, которую мы скопировали со старого ремня. Чтобы ремень не слетел с экипировкой, закрепляем его.

ГРМ на Киа Спортейдж 3: дигностика, инструкция по замене

Ставим новый натяжной ролик. Затягиваем динамометрическим ключом с моментом 55 Н.

ГРМ на Киа Спортейдж 3: дигностика, инструкция по замене
Это старый натяжитель. Для ясности.

В моем случае где-то через мгновение после тридцати ньютонов болт благополучно открутился…

ГРМ на Киа Спортейдж 3: дигностика, инструкция по замене
Остаток болта остался в блоке.

В принципе, все в порядке. По технологии необходимо вместе с заменой ролика менять и болты. Старые болты изношены и часто ломаются. Так что ситуация нормальная. Но вся гиморойность на данный момент не в поломке болта, а в том, что нет места для манипуляций, чтобы достать остаток болта.

После пары часов метания по городу новый натяжитель все еще был на своем законном месте.

ГРМ на Киа Спортейдж 3: дигностика, инструкция по замене

Почти все. Стоит новый ремень ГРМ. Также были заменены оба ролика.

Осталось надеть новые приводные ремни и собрать все в обратном порядке.

Что собственно и было сделано.

В конце залейте антифриз через пробку радиатора. Мы скорее не торопясь. Тонкий ручей. Длительное время. Так что спокойно выпускаем воздух из блока. Заполните расширительный бачок до отметки MAX. Потом все равно выравнивается. А потом надо немного добавить.

ГРМ на Киа Спортейдж 3: дигностика, инструкция по замене

На этом все работы завершены. Машина отправилась на тест-драйв. Никаких косяков замечено не было. Печь работает ровно. ГУР допилен и прокачан.

Устройство двигателя Спортейдж 2.0

Двухлитровый двигатель G4GC — бензиновый атмосферный рядный, 4-цилиндровый, 16-клапанный, DOHC, с водяным охлаждением и ременным приводом ГРМ. Расположение в моторном отсеке продольное. Двигатель имеет систему изменения фаз газораспределения на впускном валу. Силовой агрегат имеет гидрокомпенсаторы, поэтому нет необходимости регулировать зазор клапанов. Двигатель имеет чугунный блок цилиндров.

Двухлитровый двигатель G4KD — бензиновый атмосферный рядный, 4-цилиндровый, 16-клапанный, DOHC, с водяным охлаждением и цепным приводом ГРМ. Расположение в моторном отсеке продольное. Двигатель имеет систему изменения фаз газораспределения CVVT на обоих распределительных валах. К сожалению, гидрокомпенсаторов у двигателя нет, поэтому регулировка клапанов требуется примерно раз в 90-100 тысяч километров. Алюминиевый блок цилиндров.

Поэтапная замена ремня ГРМ на Kia Sportage 2 своими руками

ГРМ на Киа Спортейдж 3: дигностика, инструкция по замене

Киа Спортейдж как поменять ГРМ,замена помпы/Kia Sportage replacing the pump

Снимите ремень ГРМ.

ГРМ на Киа Спортейдж 3: дигностика, инструкция по замене

Замена ремня ГРМ Киа Спортейдж. Ремень ГРМ является важным механизмом в двигателе.

ГРМ на Киа Спортейдж 3: дигностика, инструкция по замене

 

Ключом вставьте центральный болт коленчатого вала по часовой стрелке, обращая внимание на метки на шайбах распределительных валов. Левый шкив — маркировка I.

Правый шкив — маркировка Е.

ГРМ на Киа Спортейдж 3: дигностика, инструкция по замене

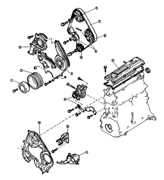
По памяти зафиксируйте положение шарнира по метке на главном шкиве и меткам на нижней крышке кожуха ремня ГРМ. Отверните болты крепления нижней крышки ремня ГРМ и снимите ее.

Ослабьте и снимите ремни привода генератора, компрессора кондиционера и гидроусилителя руля.

ГРМ на Киа Спортейдж 3: дигностика, инструкция по замене

Ослабьте узел ведущего шкива, не касаясь центрального болта коленчатого вала. Снимите главный приводной шкив. Момент затяжки болтов 2 на шайбе коленчатого вала 12?

ГРМ на Киа Спортейдж 3: дигностика, инструкция по замене

В завершение не забудьте заправить систему охлаждения, посмотреть порядок снятия ремня ГРМ, разобрать узлы согласно предоставленной нумерации.

ГРМ на Киа Спортейдж 3: дигностика, инструкция по замене

Снимите компоненты натяжителя и оцените их состояние. Не мойте узел натяжителя растворителями. При необходимости протрите загрязненные поверхности мягкой тканью. Ищите признаки чрезмерного износа и механических повреждений шестерен.

Новый насос не оригинальный. Справа старый, слева новый, не оригинал Ставим насос на место. Правда, это еще не все. В связи с тем, что помпа не оригинал, пришлось доработать внутренний малый шкив ГУР.

Он находится внутри диска насоса.

Поэтому пришлось высверливать внутренний шкив и стягивать его с наружным. Считаем количество зубьев на старом ремне ГРМ и сравниваем полученное число с количеством зубьев на новом ремне. Потому что был опыт, когда я надел его не глядя, а оказалось, что у нового ремня на один зуб больше, чем положено.

Читать:  Тормозные колодки «Киа Сид» – размеры и замена

Затем подсчитываем количество зубьев между метками, которые были поставлены на старом ремне и маркируем новый ремень так же. Ставим новый шкив ГРМ на блок.

Автозапчасти для иномарок, ремонт авто

Система охлаждения требует только своевременной замены антифриза. С помощью чип-тюнинга многие владельцы немного сглаживают аморфность двигателя без ущерба для ресурса, который и без того невысок. После рестайлинга место под капотом занял обновленный бензиновый двигатель, созданный на базе предыдущего, но оснащенный непосредственным впрыском. Статистика ошибок пока скудная, так как машины достаточно новые.

Синхронизирующая система — Цепь ГРМ

Маркируйте все провода и шланги, чтобы избежать ошибок при подключении.

1. Снимите кожух двигателя.
2. Снимите провод с отрицательной клеммы аккумулятора.
3. Снимите правое переднее колесо (см группу «СС»).
четыре. Снимите нижнюю крышку (см раздел «Двигатель и трансмиссия» в этой группе).
5. Снимите правую крышку.
6. Поверните шкив коленчатого вала и совместите прорезь с установочной меткой на крышке цепи привода ГРМ. В этом случае поршень цилиндра №1 будет установлен в положение ВМТ такта сжатия.
7. Отсоедините воздушный шланг (А.
8. Отсоедините разъем (А) (только для типа HPS) реле давления гидроусилителя рулевого управления и разъем (В) регулятора давления масла, затем отсоедините провода от крышки головки блока цилиндров.

18. Установите домкрат на край картера.

Поместите деревянный брусок между картером и домкратом.

Будьте осторожны, чтобы не повредить уравновешивающий вал и модуль масляного насоса.

19. Отсоедините провод заземления (А) и снимите монтажный кронштейн опоры двигателя (В.
20. Отделить масляный насос ГУР (А) от кронштейна (см группу «СТ»).
21. Снимите промежуточный шкив (В) и шкив (С) на натяжителе приводного ремня.

(3) Установите масляный поддон (А). Равномерно затяните болты в несколько оборотов.

Крутящий момент

Болты В (М9):

30,4~34,3 Н·м (3,1~3,5 кгс·м, 22,4~25,3 фунт-сила-фут)

Болты С (М6):

9,8 ~ 11,8 Нм (1,0 ~ 1,2 кгсм, 7,2 ~ 8,7 фунт-сила-фут)

После сборки подождите не менее 30 минут, прежде чем заливать в двигатель масло.

Всегда используйте новую прокладку сливной пробки.

18. Установите кронштейн компрессора кондиционера (А.

Крутящий момент

19,6 ~ 23,5 Нм (2,0 ~ 2,4 кгсм, 14,5 ~ 17,4 фунт-сила)

19. Затяните нижние болты воздушного компрессора (А.

Крутящий момент

20,0~33,0 Н·м (2,04~3,36 кгс·м, 14,8~24,3 фунт-сила-фут)

20. Установите приводной ремень (В).

Шкив коленчатого вала → шкив кондиционера → шкив генератора → шкив 1 → шкив масляного насоса гидроусилителя рулевого управления (только тип HPS) → промежуточный шкив 2 → шкив водяного насоса → шкив натяжителя.

Поверните рычаг натяжителя приводного ремня (А) по часовой стрелке, повернув болт натяжного ролика с помощью гаечного ключа. После установки ремня на ролик натяжителя медленно отпустите ролик натяжителя.

22. Установите катушки зажигания (А).

Крутящий момент

3,9~5,9 Нм (0,4~0,6 кгсм, 2,9~4,3 фунт-фут)

23. Установите защитный кожух (В) и подсоедините разъемы (А) к катушкам зажигания.
24. Подсоедините шланг принудительной вентиляции картера (PCV) (A).
25. Подсоедините разъем (A) реле давления гидроусилителя рулевого управления (только тип HPS) и разъем (B) регулятора давления масла для выпускных клапанов.

МДПС

HPS

26. Подсоедините воздушный шланг (А.
27. Наденьте правую крышку.

Крутящий момент

8,8 ~ 10,8 Нм (0,9 ~ 1,1 кгсм, 6,5 ~ 8,0 фунт-сила-фут)

28. Установите нижнюю крышку (см раздел «Двигатель и трансмиссия» в этой группе).
29. Установите правое переднее колесо (см группу «СС»).
тридцать. Подсоедините отрицательный (-) кабель к аккумулятору.

Крутящий момент

Без датчика батареи:

7,8 ~ 9,8 Нм (0,8 ~ 1,0 кгсм, 5,8 ~ 7,2 фунт-сила)

С датчиком батареи:

4,0~6,0 Н·м (0,4~0,6 кгс·м, 3,0~4,4 фунт-сила-фут)

31. Установите кожух двигателя.

 

Меняем ремень ГРМ G4GC

В соответствии с рекомендациями производителя силовой установки G4GC ремень ГРМ (он же ГРМ) необходимо менять самостоятельно или в процессе эксплуатации раз в четыре года. Если автомобиль используется часто, необходимо соблюдать интервал пробега в 60-70 тыс км.

Кроме того, необходимо заменить ремень ГРМ G4GC, если у него обнаружены:

  • расшатывание или расслоение на концах;
  • признаки износа на поверхности зуба;
  • следы масла;
  • трещины, складки, повреждения, отслоения от основания;
  • ямки или неровности на внешней поверхности ремня ГРМ.

При замене лучше знать момент затяжки болтов ГБЦ.

Инструменты и запчасти

Ниже перечислены инструменты и детали, необходимые для работы с G4GC.

В частности, для замены нужно:

  • ожерелье;
  • ключи «на 14», «на 17», «на 22»;
  • плоскогубцы;
  • плоская отвертка;
  • головки трубные «на 10», «на 14», «на 17», «на 22»;
  • расширение;
  • шестигранный ключ «5».

Кроме того, для работы с ремнем необходимы детали со следующими артикульными номерами:

  • болт М5 114-061-2303-KIA-HYUNDAI;
  • болт М6 231-272-3001-KIA-HYUNDAI;
  • обводной ролик 5320-30710-ИНА;
  • передний сальник коленвала G4GC 2142-123-020-KIA-HYUNDAI;
  • прокладка защиты ремня ГРМ 2135-323-500-KIA-HYUNDAI и 2136-323-600-KIA-HYUNDAI;
  • ремень ГРМ 5457-XS GATES;
  • табель учета рабочего времени 5310-53210-ИНА;
  • прокладка защитной крышки 2135-223-000-KIA-HYUNDAI;
  • фланец коленвала 2312-323000-KIA-HYUNDAI;
  • диск 12 мм 2312-632-021 KIA-HYUNDAI;
  • болты с шестигранной головкой 2441-223-050 KIA-HYUNDAI.

Ресурс дизельных моторов Киа Спортейдж

Благодаря своей долговечности и экономичности дизельные силовые агрегаты традиционно пользуются спросом. Хотя многие водители до сих пор опасаются заливать в двигатель некачественное дизельное топливо, что непременно приведет к выходу из строя дорогостоящей топливной аппаратуры. Но в последнее время качество дизтоплива на отечественных АЗС серьезно выросло, поэтому если заправляться на проверенных фирменных АЗС, серьезных поломок не будет. В линейку дизельных агрегатов для корейского автомобиля Киа Спортейдж входит несколько интересных моторов, о которых мы расскажем ниже.

RF

Двухлитровый дизельный форкамерный двигатель RF выпускался с 1983 по 2003 год. Верхний двигатель с непосредственным срабатыванием клапанов и регулируемыми регулировочными зазорами. ТНВД и ГРМ представляют собой зубчатый ремень. До 1987 года двигатель оснащался отдельным ремнем для привода топливного насоса, но вскоре конструкция была упрощена и реализован одинарный ременный привод. Четырехцилиндровый агрегат с чугунным блоком и 8-клапанной алюминиевой головкой. Головка блока SOHC с двумя клапанами на цилиндр. Мощность двигателя составляет всего 85 лошадиных сил. Известно достаточно большое количество модификаций двигателей, например, компрессорный дизель RF-CX и турбированные варианты RF-T. Цилиндры блока расточены 86 мм, поршни идут 86 мм. Фазорегуляторов и гидрокомпенсаторов нет.

вЧ двигатель

Достаточно надежный и неприхотливый дизель, где основные проблемы в основном связаны с большим пробегом. На форумах обычно обсуждаются способы борьбы с постоянно подтекающими резиновыми прокладками, запотеванием двигателя маслом по прокладке ГБЦ. При обрыве ремня ГРМ клапана ударяются о поршни. Каждые 60 000 км в этом двигателе необходимо менять привод ГРМ. Ехать почти некуда. После прохождения 200-250 тыс км вокруг камер могут образоваться трещины – потребуется серьезный ремонт. Лучше всего регулировать клапана как можно чаще. Оптимальное время – раз в 90 тысяч километров. Сам двигатель шумный, но выносливый. Экземпляры, проехавшие более 300 000 километров, далеко не редкость. Проблема в том, что на вторичном рынке автомобили с таким двигателем обычно находятся в плохом состоянии. К покупке автомобиля с дизельным РФ следует подходить во всеоружии, чтобы не купить кота в мешке.

D4EA

Дизель D4EA получил традиционную рядную компоновку с четырьмя цилиндрами, 16-клапанную алюминиевую головку. Двигатель оснащен топливной системой Common Rail компании Bosch. Это турбированный двигатель с воздушным компрессором WGT с предварительным охлаждением — интеркулером. Чугунный блок с диаметром цилиндра 83 мм и ходом поршня 92 мм. В зависимости от модификации двигатель способен развивать мощность 112-150 лошадиных сил. Крутящий момент также варьируется в пределах 235-340 Нм. Механизм газораспределения с ременным приводом распределительных валов. Есть гидрокомпенсаторы, поэтому регулировка клапанов не требуется. Однако их наличие предъявляет к качеству моторного масла особые требования. Если залить плохой материал, компенсаторы застучат уже до 100 тысяч километров.

D4EA

Самые большие проблемы в этом двигателе вызывает топливная аппаратура, крайне чувствительная к качеству дизеля. Двигатель D4EA имеет обычный ремень ГРМ, которого хватает всего на 60-70 тыс км. С заменой тянуть не надо, потому что при поломке клапан гнется. Автовладельцы часто замечают проблемы с электроникой. Например, неисправность может возникнуть в блоке управления. Из-за «ошибки» устройство зависает на определенных скоростях. Клапан EGR способен заклинивать в определенном положении, рано выходит из строя регулятор давления. На дальних пробегах часто трескается ГБЦ. На новых автомобилях такой поломки не бывает, хотя ни в коем случае нельзя допускать перегрева двигателя. В результате, если лить качественное моторное масло и заправлять его на проверенных заправках, ресурс турбодизеля будет достаточно большим. У него нет явных слабых мест и дефектов, но реально он не ходит больше 280 000 км.

Читать:  Регламент ТО для Kia Sportage 4 рестайлинг (2018-2020) - график работ ТО-1, ТО-2, ТО-3 и ТО-4

D4FD

Дизельный 1,7-литровый двигатель D4FD под капот Киа Спортейдж начали устанавливать с третьего поколения. Двигатель был представлен 10 лет назад и на тот момент считался технологичным. Сегодня такими техническими особенностями и техническими решениями, конечно, уже никого не удивишь. Архитектура стандартная: рядная компоновка четырех цилиндров, 16 клапанов, газораспределительный механизм DOHC. Рабочий объем 1685 куб см образует блок с цилиндрами под 77,2 мм и ходом поршня 90 мм. Благодаря системе турбонаддува крутящий момент в 255 Нм доступен уже с 2500 оборотов коленвала в минуту. Максимальная мощность составляет 115 лошадиных сил. Двигатель с системой питания Common Rail.

D4FD

Некоторые конструктивные особенности D4FD:

  • оборудование Common Rail типа CP1;
  • электромагнитные форсунки;
  • чугунный блок; головка из алюминиевой трубки;
  • турбина с изменяемой геометрией;
  • два распределительных вала с цепным приводом;
  • гидрокомпенсаторы, клапан EGR и сажевый фильтр.

По надежности этот двигатель получил твердую четверку с минусом. Единственное, у него чувствительные и уязвимые сопла. В случае неисправности ремонт, как правило, обходится дорого. Компетентного специалиста найти сложно, да и необходимых ремкомплектов тоже нет. Часто приходится заказывать запчасти. На автомобилях с небольшим пробегом может течь прокладка клапанной крышки. Замена прокладки с крышкой у дилера по гарантии обычно не решает проблему. Если двигатель начинает работать и возникают вибрации, проблема, скорее всего, в форсунках. Забитые фильтры приводят к падению тяги и мощности. Менять расходники стоит согласно установленным нормам пробега. Гарантийный ресурс составляет 180 000 км, но потенциал двигателя ограничен 275 000 км. Вам придется сильно постараться, чтобы машина с этим двигателем прослужила дольше.

Какой тип ГРМ на Киа Спортейдж 3?

Обычно это происходит после 80 км. В некоторых случаях они ограничиваются ремонтом, а не заменой всего сустава. Остальные элементы полноприводной трансмиссии непритязательны. Карданный вал имеет длительный срок службы и не требует обслуживания. Износ задних пыльников, как и ГРМ на Киа Спортейдж 3 встречается очень редко, как и выпадение сальников за коробкой передач. Достаточно вовремя менять в нем масло.

Средний ресурс тормозных дисков и колодок всего 20 км! А все из-за некачественных корейских оригинальных запчастей. Иногда колодки не подходят к скобам — стачиваются.

Аналоговые детали немного дороже, но намного долговечнее. Полная замена родных расходников на неоригинальные купоны повысит эффективность тормозов. Болты регулировки развала на продольных рычагах закисают и срезаются.

Какое тут везение — причина в некачественном креплении. Ступичные подшипники меняются по кругу через 40-60 км. Хорошо, что есть доступные и более жесткие аналоги.

Третий Sportage оснащен гидравлическим или электрическим усилителем руля, интегрированным в рулевую колонку. Схему опять же найти сложно: к счастью, обе системы проблем не вызывают: на полноприводных Спортий, в основном на автомобилях — 40 км производства, ГРМ которого на Киа Спортейдж 3 является соединительной линией, проходящей через распределитель промежуточного вала и правый редуктор.

Замена-ГРМ-Kia-Sportage-KM.jpg

Муфта ломается настолько, что вал шайбы вращается на холостом ходу, а правый привод остается на месте. Оба элемента подлежат замене. Производитель заменил неисправные детали по гарантии на такие же новые.

Узлы не модернизировали, просто исправили производственный брак — уменьшили допуски на зазоры в траках.

Из-за износа этой пары иногда начинал подтекать сальник раздаточной коробки, что само по себе не вызывает особого беспокойства по поводу ГРМ Киа Спортейдж 3. Многих не устраивает подвеска — их амортизаторы редко превышают 60 км. На рынке есть неоригинальные, но более комфортные аналоги по привлекательной цене, но они подходят не для всех автомобилей.

Данные испытаний укажут на изменение фаз газораспределения двигателя. Все производители автомобилей акцентируют внимание на качестве масла и указывают, что цепь ГРМ обрывается при несоблюдении правил эксплуатации по периодичности и качеству замены масла. При эксплуатации автомобиля используйте только те сорта масла, которые рекомендованы заводом-изготовителем.

0012-01.jpg

Преждевременная замена цепи ГРМ, стоимость которой значительна, а стоимость ремонтных работ высока, ждет владельцев Daewoo, Kia, SangYong, Hyundai, Chevrolet и других марок, не меняющих моторное масло регулярно. Если автовладелец не контролирует расход масла, давление в системе падает, в результате чего ослабевает натяжение цепи.

Кроме того, к причинам преждевременного износа цепи ГРМ относятся: Преждевременная замена поврежденной цепи ГРМ приводит к проскальзыванию, разрушению зубьев звездочки и повреждению головки блока. После разборки необходимо промыть их в бензине, просушить и осмотреть поверхность.

Зачастую трещины и другие ГРМ на Киа Спортейдж 3, свидетельствующие о приближающемся переломе зуба, на первый взгляд незаметны, и после установки новой цепи, сделав большой объем, вскоре придется переделывать работу по замене шестерен.

По окончании работ необходимо долить масло и антифриз.

Подготовка к замене

Перед проведением работ по замене цепи ГРМ обязательно приобретите оригинальный ремкомплект или саму цепь отдельно. Цена на эти комплектующие будет зависеть от места покупки, но обычно оригинальные комплекты стоят вполне разумно.

Обязательно обеспечьте удобный доступ к автомобилю со всех сторон капота, так как в процессе разборки двигателя и разборки других элементов вам придется проделать немало работы. Дизайн Киа Спортейдж 3 из-за стремления разместить все достаточно компактно не очень удобен для работы.

Учитывая расположение боковой крышки ГРМ и болтов на поверхности, потребуется снять переднее правое колесо, поставив автомобиль на домкрат. Это значительно упростит доступ и позволит быстрее выполнять некоторые демонтажные и монтажные работы.

Для проведения необходимых работ потребуется стандартный набор инструментов автослесаря, основными составляющими которого являются:

  • Набор ключей;
  • Трещотка с набором насадок;
  • Гидравлический или электрический ключ, желательно с ударной функцией (если их нет, нужны молоток и молоток, которыми можно выбить ключ и крепеж, пригоревшие на поверхность при длительном использовании);
  • Стамеска и минусовая отвертка.

Перед началом работы в обязательном порядке необходимо слить из радиатора моторное масло и антифриз, а также любые другие технические жидкости, которые могут помешать проведению работ.

Причина стука двигателя G4KD

Двигатель G4KD имеет алюминиевый блок цилиндров. В процессе эксплуатации из-за плохого охлаждения пары юбка поршня — цилиндр происходит износ трущихся поверхностей, на зеркале цилиндра появляются задиры. Стук двигателя, особенно громкий на холодном двигателе, это как раз стук от замены поршня в изношенном цилиндре. Стук хорошо слышен на видео ниже.

Система охлаждения этого двигателя лишена важного компонента, а именно форсунок охлаждения поршней. Так сделано на заводе, видимо, в целях экономии. Но в результате у двигателя довольно массовая проблема, за которую корейцам часто приходится расплачиваться, ведь большой процент поломок приходился на гарантийный период. Возможно, по этой причине после рестайлинга в 2014 году на автомобили стали устанавливать другой двигатель, с заводским названием Nu, с таким же объемом.

Еще одна причина задиров в цилиндрах двигателя Киа Спортейдж – некачественное моторное масло, либо низкий уровень масла. Хотя во втором варианте больше страдает не цилиндро-поршневая группа, а вкладыши коленчатого вала.

В интернете видел пост, в котором показаны царапины двигателя в прошлом на автомобилях, владельцы которых устанавливают за передним бампером всевозможные демпферы (иногда картонные) для уменьшения обдува радиатора, чтобы быстрее прогреть машину зимой. Якобы масло в двигателе хуже охлаждается, что приводит к еще более высоким температурным нагрузкам на поршни. У этой теории есть своя логика. Но все же причина здесь именно в отсутствии форсунок для охлаждения поршней в системе смазки.

Источники

  • https://andresanda.ru/motory/metki-grm-kia-sportejdzh.html
  • https://www.zr.ru/content/articles/930052-7-problem-dvigatelya-hyundai-ki/
  • https://vw-guide.ru/kia/zamena-grm-g4kd-kak-pomenyat-tsep-metki-komplekt-zapchastej/
  • https://story-fr.ru/systems/shema-remnej-dvigatela-kia-sportejdz.html
  • https://avto-layn.ru/inomarka/dvigatel-sportejdzh-3.html
  • https://vvm-auto.ru/kia/kia-sportage-ii
  • https://tuning-mg.ru/dvigateli/metki-grm-kia-sportejdzh-2.html
  • https://4x4top.ru/kia-sportage-remen-ili-tsep-grm/
  • https://avto-mekhanik.ru/sovety/zamena-cepi-kia-sportejdzh-2-g4gc.html
  • [https://auto-kontent.ru/resurs-dvigatelya-kia-sportejdzh-1-6-1-7-2-0-2-4/]
  • [https://autoclub99.ru/2017/05/dvigatel-kia-sportage-ustrojstvo-grm-texnicheskie-xarakteristiki-sportejdzh-2-0/]

[свернуть]