Как определить, что подшипник ступицы передней Киа Рио неисправен
Передний ступичный подшипник на Киа Рио вне зависимости от года выпуска (2012, 2013, 2014 и позже) обычно выходит из строя по нескольким причинам:
- Окончание срока службы регулируется производителем;
- Чрезмерная осевая и радиальная нагрузка, разрушение сепаратора, дорожек качения, металлических колец или шариков;
- На деталь попадает влага, грязь;
- Недостаточная смазка и перегрев;
- Ранее замененный сток не того качества.
Понять, что подшипник ступицы переднего колеса вышел из строя, можно по некоторым характерным признакам:
- Шум от передних колес, усиливающийся при разгоне по трассе;
- Шум меняется при повороте, если он резко прекращается или усиливается с левой или правой стороны, это свидетельствует о неисправности;
- Дребезжание и урчание говорит о том, что шаровая опора, скорее всего, уже развалилась и ее необходимо заменить как можно скорее.
Для проверки и диагностики состояния ступиц и шаровых опор выполняются следующие операции:
- Подвесить колеса на домкрат;
- Руками крутим шасси и слушаем звук, с какой стороны шумит;
- Также контролируется люфт колеса, при перемещении его в осевом направлении не должно быть люфта более 0,5 мм.
- Более подробно диагностику мы разобрали в специальной статье «Как проверить ступичные подшипники».
- Посмотрите на видео пример характерного шума, а также как проверить ступичный подшипник.
- шаровой болт наконечника рулевой тяги снабжен гайкой со шплинтом. Усики занозы необходимо сжать руками в перчатках, что позволяет достать занозу из пальца;
- можно открутить саму гайку, отвечающую за крепление шаровой опоры к металлическому рычагу поворотного кулака;
- используйте съемник шарнира, его нужно установить и выпрессовать шаровую цапфу из поворотного кулака;
- если автомобиль оснащен АБС, на переднем колесе виден датчик скорости, передающий информацию на ЭБУ, его нужно аккуратно отсоединить от проводов и разобрать;
- к поворотному кулаку подвески подсоединяется тормозной шланг, его необходимо демонтировать, отвернув соответствующий болт и отведя шланг немного в сторону;
- теперь можно отсоединить рычаг подвески от поворотного кулака;
- после этого нужно подойти к тормозному механизму и открутить два болта суппорта;
- суппорт можно разобрать, а чтобы он не мешал работе подвесить его на одну из пружин подвески, соединить их обычной проволокой, параллельно надо обратить внимание на состояние тормозного шланга, он должен быть расположены так, чтобы не гнуться и не ломаться;
- из ступицы нужно достать вал угловых скоростей, для этого нужно сдвинуть в сторону шток передней подвески;
- подвесить приводной вал на подходящей проволоке;
- при необходимости снимите тормозной диск;

- открутить гайки крепления амортизатора к поворотному кулаку, снять болты;

- разобрать поворотный кулак со ступицей;
- теперь вы можете перейти к хабу. Стопорное кольцо подшипника необходимо подцепить шлицевой отверткой, а затем разобрать;
- ступицу необходимо выдавить из кулака, для этого необходимо использовать ударный гайковерт. Если внутреннее кольцо раскололось на две части, его наружную часть необходимо снять съемником;

- с помощью съемника выдавите изношенный подшипник из поворотного кулака. Повторное использование недопустимо;
- очистить от грязи все элементы конструкции, нанести смазку на внутреннюю поверхность поворотного кулака и на внешнюю поверхность ступицы;
- установить новый подшипник, при запрессовке прикладывайте усилие только к наружному кольцу;

- нажмите на ступицу;
- установите поворотный кулак и колесо в обратном порядке;
- вернуть снятое колесо на место;
- снять автомобиль с подставки и поставить его на ровную поверхность всеми колесами, энергично покачать два-три раза в разные стороны;
- затяните все снятые гайки передней подвески;
- несколько раз нажал на тормоз. Это необходимо для устранения тормозных зазоров, возникающих при сборке.
На практике, в зависимости от навыков мастера, работа по замене подшипника занимает 2-3 часа. После ее завершения необходимо будет обратиться в специализированную мастерскую для регулировки развала передних колес.
Что свидетельствует о необходимости замены элементов
Заедание или люфт, обнаруженный при вращении, говорит о том, что ремонт нельзя откладывать, так как возможны неприятные последствия.
К ним относятся:
- возможное заклинивание колес;
- перегрев механизма, провоцирующий поломку тормозной системы, повреждение подвески;
- чрезвычайные ситуации.
Поэтому не стоит экономить, откладывая ремонт. Промедление усложнит ситуацию, и удорожит ремонт Рио 2 и других поколений.
Передняя ступичная деталь
Подвеска Киа Рио 2 поколения способна решить ряд задач, в том числе и по обеспечению управляемости автомобиля. Два элемента Рио имеют коническую форму и крепятся на передней оси с помощью упорной гайки. Чтобы предотвратить отдачу, отрегулируйте давление ролика, затянув гайку.
На переднем колесе Рио 2 поколения деталь нуждается в постоянном осмотре. Бывает, что высокие температуры приводят к утечке смазочных материалов из автомобиля. Происходит это при систематическом контакте с жидкостями, что провоцирует попадание пыли и песка в корпус ступицы, ускоряет износ подшипников.
Срок, симптомы и причины замены
Стандартный срок службы подшипника составляет ок. 100 000 км пробега, но интенсивная эксплуатация автомобиля на плохих дорогах может сократить этот срок. Также неправильная установка детали вопреки технологии легко приведет не только к преждевременному выходу из строя, но и к проблемам с передней подвеской. По мере износа ступичных подшипников из-под передних крыльев автомобиля начинает доноситься характерный гул. Именно он засвидетельствует о необходимости скорейшей замены деталей.
Признаки выхода из строя
Замена подшипника передней ступицы Киа Рио может потребоваться в следующих случаях:
- Срок действия узла.
- Регулярные перегрузки осевого или радиального характера.
- Разрушение сепаратора.
- Износ беговых дорожек или мячей.
- Попадание грязи и влаги в блок.
- Засыхание смазки и, как следствие, перегрев подшипника.
- Использует сырье низкого качества.

Типичными признаками выхода из строя ступичного подшипника являются:
- посторонние звуки со стороны колес при разгоне по трассе;
- странные звуки при повороте набок;
- грохот и грохот в зоне переноски.
Диагностировать состояние роликового подшипника ступицы можно по следующему алгоритму:
- Поднимите автомобиль домкратом.
- Качайте шасси автомобиля руками, слушая звуки.
- Движение колеса в осевом направлении. Если колесо имеет свободный ход более 0,5 мм, подшипник качения не закреплен.
Замена передней и задней ступицы Киа Рио
На автомобилях Киа Рио ступица представляет собой неразборный узел с расположенным на нем подшипником и датчиком АБС. Этот комплекс деталей надежен, является основой колеса и может служить без поломок длительное время. Ступица на этой модели Киа ремонту не подлежит; в случае ошибки он полностью меняется. Замена ступичного узла – длительный процесс, имеющий свои тонкости – неумелый ремонт может повредить новые детали, поэтому лучше доверить процедуру опытным мастерам в автосервисе. Важно помнить, что после всех работ необходимо отрегулировать углы установки колес.
Устройство и местоположение подшипника у разных поколений Киа Рио
В автомобиле Киа Рио второго и третьего поколения ступичный подшипник запрессован в кулак. При разборке поворотного кулака следует обратиться в специализированный сервисный центр для проведения процедуры коррекции развала-схождения.
В автомобилях Рио первого поколения вместо одного роликового подшипника в кулаке, как в более поздних версиях автомобиля, в проставке два равноценных элемента и втулка между ними.
Для первого поколения в ступице переднего колеса необходимо одновременно заменить два радиально-упорных шарикоподшипника.
Алгоритм замены ступичного подшипника в Kia Rio
Замену передних подшипников без нарушения баланса развала-схождения автомобиля можно произвести двумя способами:
- с заменой роликового подшипника без разборки шейки;
- замена элементов в полностью разобранной стойке.
Для проведения ремонтных работ своими руками необходимо приобрести следующие инструменты:
- набор из нескольких ключей или головок;
- оправка или головка двадцать семь для удаления неисправного элемента;
- молоток;
- тиски для фиксации полки;
- специальный съемник для подшипников;
- крестовая отвертка;
- машинное масло;
- тряпки;
- жидкость ВД-40;
- гаечный ключ.
Снятие разрушенного узла на Киа Рио
Замена переднего ступичного подшипника Киа Рио 3 проводится по следующему сценарию:
- Снимите колесные болты.
- Ослабленная передняя ступица.
- Поднимите передние колеса домкратом.
- Снимите колеса и отломите ступичную гайку.
- Отверните болты крепления концов рулевой колонки.
- Выдавливание наконечника.
- Снимите болт тормозного шланга.
- Откручивание двух болтов крепления суппорта. Крепления расположены за суппортом.
- Открутите манжету от булавки и молнии.
- Поднимите кулак и снимите его с коленной чашечки.
- Затяжка болтов и разборка приводного вала.
- Удалите винты с крестообразным шлицем.
- Снимите тормозной диск
- Удар по внутреннему кольцу подшипника.
- Снятие стопорного кольца.
- Извлечение внешнего зажима съемником диаметром около 68 миллиметров.
- С помощью молотка снимите кольцо с кулака.
После выполнения всех этих действий демонтаж изношенного элемента можно считать завершенным, и можно приступать к установке исправного роликового подшипника.
Монтаж исправного элемента ступицы
Сняв ступицу и удалив неисправный элемент, выполните следующие действия:
- Очистите и смажьте посадочное место роликового подшипника машинным маслом.
- Выполните прессование. Это можно сделать двумя способами: не нажимая на спусковой крючок и не попав в патрон.
- Установите стопорное кольцо в правильный паз.
- Снятие внутреннего кольца на втулке. Это можно сделать, разрезав обойму узкой болгаркой, а затем постукивая по детали молотком.
- Смазка седла вкладыша.
- Запрессуйте роликовый подшипник в ступицу с помощью съемника.
- Установка тормозного диска на ступицу и поворотный кулак.
- Установка получившейся конструкции на автомобиль.
- Затяните гайку ступицы динамометрическим ключом с моментом 235 Н·м.
Важно помнить! Непосредственно перед установкой сменного узла необходимо смазать приводной вал, наконечник рулевой тяги и рулевую тягу литолом. Резьбовые соединения лучше всего смазывать графитной смазкой.
Замена передних подшипников ступицы на первом поколении Киа Rio
Замена ступичного подшипника Киа Рио до 2005 года производится аналогично. Снятие и запрессовка нового устройства осуществляется по тому же алгоритму, что и для более новых моделей корейского автомобиля.
Устройство и расположение ступичного подшипника у КИА Рио 1, 2 и 3 поколения
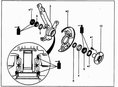
Как было сказано в начале статьи про Киа Рио 3 и 2 поколения, шаровая опора (6) запрессована в кулак (4.3). Если будете разбирать кулак со стенда, то, скорее всего, потребуется сделать развал-схождение.

Примечание: автомобили 1-го поколения (2000-2005 гг.) имеют два конических подшипника в проставке с втулкой между ними. Принцип замены отличается, но не кардинально. В 3 и 2 поколении меняется один шарикоподшипник, в 1 модельном ряду до 2005 года два конических радиально-упорных подшипника.
Ниже представлена схема расположения переднего ступичного подшипника в сборе на Киа Рио 1 поколения. Его можно сравнить с ВАЗ 2101 или Шевроле Нива. В упоре установлены два конических радиально-упорных роликоподшипника.

Ступица колеса и рулевая ось: 1 — колесный болт, 2 — щит тормозного диска, 3 — рулевая рейка, 4 — наружное кольцо подшипника, 5 — наружное кольцо внутреннего подшипника, 6 — наружный подшипник, 7 — наружный сальник, 8 — регулировка проставка, 9 — внутренний подшипник, 10 — ступица колеса, 11 — внутренний сальник Инструкция подходит для следующих моделей автомобилей
| 1,3 | 09.2000-02.2005 | А3Е | Газовый двигатель | 75 | 1343 |
| 82 | 1343 | ||||
| 1,5 | A5D | 95 | 1493 | ||
| 1,5 16 В | 98 | 1493 | |||
| 97 | 1493 | ||||
| 1,6 | 106 | 1594 | |||
| 1.2CVVT | 11.2014 | G4LA | Газовый двигатель | 84 | 1248 |
| 1.25CVVT | 06.2011 | 88 | 1248 | ||
| 10.2011 | 86 | 1248 | |||
| 1.4CVVT | 06.2011 | G4FA | 107 | 1396 | |
| 10.2011 | 109 | 1396 | |||
| 1,6 | 09.2011 | G4FD | 140 | 1591 | |
| 1.6CVVT | 06.2012 | G4FC | 123 | 1591 | |
| 1.1 CRDi | 09.2011 | D3FA | Дизель | 75 | 1120 |
| 1.2CVVT | 11.2014 | G4LA | Газовый двигатель | 84 | 1248 |
| 1.25CVVT | 09.2011 | 1. 3 | 86 | 1248 | |
| 1. 3 | 88 | 1248 | |||
| 1,25 сжиженного газа | 1. 3 | 86 | 1248 | ||
| 1,4 CRDi | D4FC | Дизель | 90 | 1396 | |
| 1.4CVVT | G4FA | Газовый двигатель | 109 | 1396 | |
| 1. 3 | 107 | 1396 | |||
| 1,6 | 09.2012 | G4FD | 140 | 1591 | |
| 1.6CVVT | 06.2012 | G4FC | 123 | 1591 |
Необходимые инструменты
Владелец Киа Рио должен подготовить набор инструментов для выполнения работы:
- джек;
- стандартный для корейского автомобиля набор ключей и головок;
- противооткатные колодки (башмаки);
- оправка, позволяющая опрессовать ступицу;
- съемник для шаровых опор;
- прочная отвертка с плоским шлицем;
- ударный съемник.
Операция по замене подшипника не самая простая, для проведения разборки и последующей установки поворотного кулака по возможности лучше установить автомобиль на подъемнике.
Замена переднего ступичного подшипника Киа Рио 3
Есть способы обойтись без коллапса равенства:
- Прямая замена без снятия поворотного кулака (требуется съемник);
- Замена полностью снятой стойки.
Необходимые инструменты:
- Набор головок с ключами, трещотка;
- Оправка или головка на 27, чтобы выпрессовать старую деталь;
- Молоток, тиски;
- Съемник ступичного подшипника (рекомендуется), подходит от ВАЗ;
- Отвертка Филлипс;
- Жидкость WD-40, машинное масло, наполнитель.
В данном примере будет использован метод снятия поворотного кулака, выпрессовка клипс головкой на 27, запрессовка новой детали съемником.
Инструкция по снятию подшипника ступицы передней у Киа Рио
- Отверните колесные болты и ослабьте стопорную гайку ступицы.
- Затем подвешиваем колесо домкратом, снимаем его и срываем гайку ступицы.


- Теперь отверните гайку наконечника рулевой тяги. Затем выбиваем или выдавливаем кончик.
- Далее переходим к тормозному суппорту. Сначала откручиваем болт крепления кронштейна тормозного шланга.


- Откручиваем два болта крепления суппорта, который находится за ним.


- Осталось выполнить две операции: открутить поворотный кулак от рейки, а также от шаровой опоры.
- Затем поднимите кулак, чтобы снять его с шарового шарнира.


- Теперь выворачиваем болты и снимаем приводной вал со ступицы, чтобы снять поворотный кулак для дальнейшей замены подшипника, который установлен внутри него.


ПРИМЕЧАНИЕ. Болты лучше выбивать через прокладку, чтобы не повредить резьбу.
- Откручиваем винты отверткой, чтобы разобрать тормозной диск.
- Теперь вам понадобится головка на 27, а также два бруска. Как видно на картинке ниже, устанавливаем направляющий кулак для разборки (выбивания) внутренней обоймы шаровой опоры.




- Снимите стопорное кольцо, чтобы снять наружное кольцо. Далее используем шайбу высокого давления от курка, внешний диаметр которой 67-69 мм.
- Надеваем диск на конец внешней обоймы, надеваем головку, выбиваем кольцо из кулака. После демонтажа старого подшипника приступаем к установке нового.



Как поставить новый ступичный подшипник
- Посадочную поверхность необходимо протереть, а затем смазать маслом.

- Различают два основных способа нажатия: 1) безударный способ — спусковым крючком; 2) ударный метод через оправку.
- После нажатия до упора вставьте стопорное кольцо в прорезь.




- Далее нужно снять внутреннее кольцо со ступицы. Обычно обойма режется болгаркой (не задевая ступиц!!!), затем деталь прибивается или сбивается стамеской.


- Смазываем посадочную шейку ступицы, чтобы напрессовать на нее подшипник, уже вставленный в поворотный кулак. Операция выполняется с помощью триггера.


- На собранный узел устанавливаем тормозной диск, затем собираем всю конструкцию на автомобиль в обратном порядке. Гайку ступицы необходимо затянуть с моментом 157-235 Н*м с помощью динамометрического ключа.


Совет: Перед монтажом узла смажьте приводной вал ШРУСа, натяжную тягу, шаровую опору обычным литолом. Резьбовые соединения обрабатываются графитовой смазкой.
Как заменить передние ступичные роликоподшипники на Киа Рио 2 и 1 поколения
Процесс замены конических роликоподшипников ступицы на автомобилях до 2005 года осуществляется аналогичным образом. Таким же образом осуществляется запрессовка комплекта подшипников качения.
Подшипник передней ступицы Киа Рио 2, 3 поколения — производители, артикулы
При выборе запчастей обращайте особое внимание на производителя. Стоит отметить, что шарикоподшипники такого типа по цене менее 1000 рублей изначально считаются не надежным вариантом с точки зрения качества и срока службы.
После сбора отзывов автовладельцев, уже проводивших замену, была составлена таблица рекомендованных производителей с ценами, артикулами и комплектацией.
Артикул переднего ступичного подшипника KIA RIO 3 и 2: 51718-29100
Таблица рекомендуемых производителей: цены, артикулы
| 2 | ОСШ Франция | |
| 3 | ПРЕДМЕТ Германия | 713 6195 10 |
| 5 | СКФ Швеция | ВКБА3907 |
| 6 | РЮВИЛЬ Германия | 8405 |
| 7 | ОСШ Франция | R18911 |



Размеры подшипника передней ступицы Kia Rio II, III
| Внутренний диаметр, д | и т д | 38 |
| Внешний диаметр, Д | и т д | 70 |
| Номинальная высота, В | и т д | 37 |
| Радиус монтажной фаски, r | мм (мин) | 1,5 |
| Динамическая грузоподъемность | кН | 38.1 |
| Статическая грузоподъемность | кН | 34,3 |
| Номинальная скорость | об/мин | 5000 |
| Осевой зазор | и т д | 0,06-0,09 |
| Тип стали | — | ШХ-15 |
| Тип смазки | — | С17 (Литол-24) |
| Твердость стали и роликов | ПЧ | 61-65 |
| Контактный угол | градусов. | — |
| Крутящий момент | Н*М | 157-235 |
| Кольцевая шероховатость | Сырой | 0,32 |
| Количество мячей | пК. | 28 |
| Диаметр шара | и т д | 11.112 |
| Масса | г. | 600 |
Как заменить передний ступичный подшипник на Киа Рио своими руками
Если вы решили заменить передний ступичный подшипник Киа Рио, помимо обычных слесарных инструментов вам потребуется приобрести оправки или специальные передние ступичные подшипники, предназначенные для Киа Рио.
В противном случае у вас могут возникнуть проблемы с извлечением старого подшипника и установкой нового, что может привести к остановке колеса или выходу подшипника из строя, что, в свою очередь, может привести к аварии.
Кроме съемника вам понадобится торцевая головка «на 30», ключ «на 17», «12», «19» или аналогичных размеров, небольшая стамеска или пробойник, съемник стопорных колец, отвертки, молоток, домкрат и противооткатный упор. Кроме того, может пригодиться съемник для суставов.
- Ставим машину на ручник и поднимаем на домкрате. Подняв автомобиль, обязательно установите страховку под домкрат в виде снятого с автомобиля колеса или специального упора для предотвращения падения автомобиля и последующего повреждения.
- Плоской отверткой или тонкой стамеской выкручиваем пружинный держатель ступичной гайки.

- Головкой «на 30» большой монтировкой откручиваем ступичную гайку.
- С помощью рожкового или накидного ключа на «17» откручиваем два болта крепления суппорта

- Разводим тормозные колодки отверткой и снимаем суппорт с диска. Закрепите суппорт нейлоновой лентой или проволокой на пружине передней подвески, чтобы он не болтался на тормозном шланге.
- Ключом на «12» откручиваем болты крепления переднего диска и снимаем его. Если шайба застряла, обработайте седло WD-40 и постучите по нему молотком через деревянный брусок вдоль седла.

- При помощи ключа «на 17» или торцевой головки того же размера откручиваем болты шаровой опоры.
- Снимите рулевой наконечник с помощью ключа на «19» и съемника рулевого наконечника. Затем при помощи головки «на 19» выбиваем ступицу из посадочного места.

- С помощью пассатижей или острогубцев снимите кольца подшипников передних колес с обеих сторон.
- При помощи специализированной оправки или переднего ступичного подшипника выпрессовываем старый подшипник из посадочного места.

- С помощью того же съемника ступичного подшипника выпрессовываем наружную часть подшипника из ступицы.
- Установите новое внутреннее стопорное кольцо на поворотный кулак.
- С помощью того же съемника переднего ступичного подшипника запрессовываем новый подшипник в посадочное место. Здесь есть небольшая хитрость, если хорошо охладить новый ступичный подшипник в холодильнике, а еще лучше в морозилке, установить его на автомобиль будет намного проще. Не забудьте также смазать посадочное место смазкой, например Литол 24, что также упростит процесс запрессовки нового подшипника на место. Не забудьте установить внешнее стопорное кольцо на место!

- После замены нового ступичного подшипника запрессуйте ступицу в подшипник с помощью съемника.

- Затем собираем сборку в обратном порядке. Ставим на место рулевой наконечник и шаровую опору.
Обязательное условие, при обратной сборке обязательно использовать новую ступичную гайку, т.к повторное использование не допускается по регламенту производителя по замене запчастей, а эта гайка является расходным материалом.
Установка нового переднего ступичного подшипника вернет прежний комфорт при вождении, а также сделает вождение более безопасным, так как неисправный подшипник, скорее всего, может стать причиной дорожно-транспортного происшествия.
Как поменять ступичный подшипник на Киа Рио?
Одновременная замена обоих подшипников не обязательна, можно заменить только тот, который вышел из строя. Делается в следующем порядке:
- башмаки устанавливаются под задние колеса;

- слегка ослабьте гайки на колесе, где производится замена;
- после ослабления гаек переднюю часть машины подвешивают на домкрате;
- полностью снимаются гайки и декоративный колпачок;
- закрепите колесо, для этого на шпильки наверните две гайки;
- снять автомобиль с домкрата, поставить его обратно на твердую поверхность всеми колесами;
- с помощью бородки откручиваем гайку, удерживающую ступицу;
- слегка ослабьте ступичные гайки и крепления колес;
- поднять автомобиль на домкрат или на подпорки, после этого можно окончательно открутить ступичную гайку и аккуратно снять ее с колеса, поставить так, чтобы случайно не потерять при ремонте;
- после того как ступичная гайка отведена в сторону, можно снять колесные гайки, отложить их в сторону;
- аккуратно снимите колесо с оси;

Ступица и поворотный кулак передней оси
- Конец тяги
- Скругленный кулак
- Пыльник
- Подушечка
- Подшипник колеса
- Упаковочная коробка
- Ступица колеса
- Стопорная гайка
- Нижний шаровой шарнир
Снятие и установка
Проверяет техническое состояние
1. Поднимите переднюю часть автомобиля и проверьте осевой люфт ступичного подшипника, как показано на рисунке. Осевой зазор: 0 мм.
2. Резко поверните колесо рукой, проверьте плавность вращения и отсутствие шума в подшипнике. Если в подшипнике есть необычные шумы, отрегулируйте предварительный натяг.
3. Снимите колесо и тормозной суппорт в сборе, повесьте суппорт на амортизатор.
4. Установите циферблатный индикатор напротив ступицы колеса. Нажмите, а затем потяните ступицу в сторону. Измерьте зазор. Значение по умолчанию: 0 мм.
Снятие
1. Поднимите переднюю часть автомобиля, убедитесь, что она надежно зафиксирована.
2. Снимите колесо.
3. Поднимите монтажную крышку, отверните контргайку.
Обратите внимание на следующее:
Не повредите канавку и резьбу на конце приводного вала.
Примечание:
Перед откручиванием гайки зафиксируйте тормозной суппорт, нажав на педаль тормоза.
4. Снимите шплинт, отверните гайку наконечника рулевой тяги.
5. Используя специальный инструмент, отсоедините наконечник рулевой тяги от поворотного кулака.
Примечание:
Если снятие затруднено, постучите по поворотному кулаку молотком.
6. Снимите тормозной суппорт с направляющего винта. Подвесьте суппорт проволокой или проволокой на стойке амортизатора.
7. Снимите датчик ABS и датчик скорости вращения колеса.
8. Снимите тормозной диск.
9. Отвинтить болт и крепежную гайку. Опустить нижний рычаг подвески, отделить поворотный кулак от шаровой опоры.
10. Снимите болты и гайки, чтобы прикрепить амортизатор к поворотному кулаку.
11. Снимите ступицу колеса с направляющим винтом.
Монтаж
1. Установите ступицу с помощью направляющего винта.
2. Установите поворотный кулак на шаровую опору и амортизатор.
3. Затяните болты и гайки крепления поворотного кулака к штоку амортизатора моментом 103~122 Н∙м. Затяните болты и гайки крепления шаровой опоры нижнего рычага подвески к рулевому винту моментом 54~68 Н∙м.
4. Установите тормозной диск. Момент затяжки: 9,8 ~ 14,7 Н∙м.
5. Установите тормозной суппорт в сборе. Момент затяжки болтов: 78~101 Н∙м.
6. Установите тормозной шланг на кронштейн и закрепите его хомутом.
7. Затяните новую стопорную гайку приводного вала моментом 157 ~ 235 Н∙м и закрепите ее в канавке.
Примечание:
Проверьте плавность вращения ступицы колеса вручную.
- Мин. 0,5 мм
8. Подсоедините наконечники рулевых тяг к поворотному кулаку, затяните гайку моментом 47~52 Н∙м.
9. Вставьте новый шплинт через гайку наконечника рулевой тяги и палец шарового шарнира. Если отверстия в гайке и шпильке не параллельны, затяните гайку в соответствии со спецификацией, но не ослабляйте ее. Момент затяжки: 88~118 Н∙м.
10. Установите датчик ABS и датчик скорости вращения колеса. Момент затяжки: 8 ~ 12 Н∙м.
11. Установите передние колеса на автомобиль. Затяните крепежные гайки требуемым моментом затяжки.
Разборка и сборка
Демонтаж
1. Снимите поворотный кулак.
2. Снимите ступицу колеса с помощью специального инструмента.
3. С помощью специального инструмента снимите наружный подшипник, сальник, кольцо подшипника и прокладку со ступицы колеса.
Обратите внимание на следующее:
Закрепите ступицу, чтобы предотвратить ее падение.
4. Демонтируйте поворотный кулак.
5. Снимите прокладку (внутреннюю) с помощью отвертки.
6. Снимите подшипник колеса (внутренний).
7. Снимите кольцо подшипника с помощью специального инструмента и молотка.
Обратите внимание на следующее:
Вворачивайте кольцо подшипника только так, как показано на рисунке.
8. Отметьте пыльник и поворотный кулак для сборки.
Обратите внимание на следующее:
Не снимайте ботинок без необходимости.
Снятый пыльник необходимо заменить новым.
9. Зубилом снимите пыльник.
Проверяет техническое состояние
1. Проверьте ступицу колеса на наличие повреждений и дефектов.
2. Проверьте тормозной диск на предмет деформации и чрезмерного износа.
3. Проверьте поворотный кулак на наличие повреждений.
4. Проверьте подшипник колеса на наличие повреждений и чрезмерного износа.
5. При обнаружении дефектов детали необходимо заменить новыми.
Сборка
Примечание:
Если подшипник или направляющий винт были заменены, после установки необходимо проверить предварительный натяг подшипника.
1. Если бут был снят, установить новый.
- Новый ботинок
- Ручка арматуры
- Скругленный кулак
2. Установите кольцо подшипника на направляющий винт.
- Кольцо подшипника
3. Смажьте подшипник и ступицу литиевой смазкой, как показано на рисунке.
- Несущий
- Упаковочная коробка
- Толстый
4. Установите подшипник в отверстие направляющего винта.
Несущий
Скругленный кулак
5. Смажьте сальник, как показано на рисунке.
- Упаковочная коробка
6. Установите прокладку.
- Упаковочная коробка
- Установщик
- Ручка арматуры
7. Установите новую прокладку или выберите прокладку после измерения предварительного натяга подшипника.
8. Установите внешний подшипник в отверстие направляющего винта.
9. Смажьте поверхность внешнего уплотнения.
10. Установите новое сальниковое кольцо в отверстие поворотного кулака.
11. Закрепите внутренний подшипник подходящим инструментом, прессом запрессуйте ступицу с усилием 2500 кг.
12. Установите новый внутренний сальник в отверстие под поворотный кулак.
13. Установите поворотный кулак.
Регулировка предварительного натяга ступичного подшипника
1. Установите 2 подшипника и снятую прокладку на ходовой винт.
2. Прикрепите нижнюю часть блока с помощью специального инструмента
3. Затяните фиксирующую гайку специального инструмента моментом 157~235 Н∙м.
Примечание:
Гайку следует затягивать постепенно с шагом 49 Нм во избежание перегрузки.
4. Поверните поворотный кулак, чтобы правильно зафиксировать подшипники.
5. Снимите специальный инструмент с тисков. Установите поворотный кулак в тиски, чтобы подшипник можно было провернуть с помощью специального инструмента.
6. Измерьте предварительную нагрузку с помощью специального инструмента и динамометрического ключа. Значение по умолчанию: 0,64 ~ 0,98 Н∙м.
7. Если измеренное значение не соответствует стандартному значению, выберите прокладку в соответствии с таблицей ниже.
Примечание:
При установке прокладки № 1 крутящий момент изменяется на 0,2 — 0,4 Н∙м.
| № | Толщина и т.д. | № | Толщина и т.д. |
| 1 | 6285 | 12 | 6725 |
| 2 | 6325 | 1. 3 | 6,76 |
| 3 | 6365 | 14 | 6805 |
| 4 | 6.405 | 15 | 6845 |
| 5 | 6445 | 16 | 6885 |
| 6 | 6485 | 17 | 6925 |
| 7 | 6525 | 18 | 6925 |
| 8 | 6565 | 19 | 7.005 |
| 9 | 6605 | 20 | 7045 |
| 10 | 6645 | 21 | 7085 |
| одиннадцать | 6685 |
8. Снимите специальный инструмент. Смажьте поверхности деталей.
- http://zamena-podshipnikov.ru/zamena-podshipnika-peredney-stupicy-kia-rio-3-2-1.html
- https://www.autoservice-korean.ru/inf/rio/zamena-stupicy-0/
- https://chtocar.ru/servis-i-remont/kia-avtoservis/kia-rio-avtoservis/kak-zamenit-podshipnik-na-kia-rio.html
- https://avtomobili-help.ru/voprosy/zamena-stupichnogo-podshipnika-kia-rio-1.html
- https://mk-el.ru/zamena-stupitsy-kia-rio-svoimi-rukami/
- https://radent40.ru/zamena-stupichnyh-podshipnikov-kia-rio-2003/
- https://AvtoTachki.com/zamena-podshipnika-v-peredney-stupice-kia-rio/
- https://remont-inomarki.ru/zamena-perednego-stupichnogo-podshipnika-na-kia-rio.html
- https://krutilvertel.com/kia-rio-2000-glava12-stupica-i-povorotnyj-kulak-perednej-osi







